Текущее время: 11 апр 2026 10:11


Часовой пояс: UTC + 4 часа




Начать новую тему Ответить на тему  [ Сообщений: 3 ] 
Автор Сообщение
 Заголовок сообщения: ASUS X51L залит нужен кусочек схемы
СообщениеДобавлено: 23 ноя 2011 14:37 
Не в сети

Зарегистрирован: 01 сен 2010 15:00
Сообщения: 23
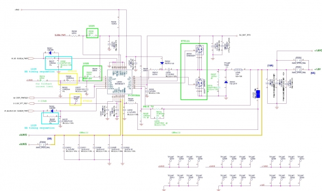
X51L rev 2.0. Собственно залит МАХ8632 (источник 1.8В) рядом с разъёмом CD и мелочевка, нужны номиналы мелочевки, у некоторых отгнили контакты. Поделитесь схемой. Нашел в этой теме viewtopic.php?f=231&t=30913&hilit=x51l но "нет необходимых прав для просмотра вложений в этом сообщении." Заранее спасибо.


Вернуться к началу
 Профиль  
Ответить с цитатой  
 Заголовок сообщения: Re: ASUS X51L залит нужен кусочек схемы
СообщениеДобавлено: 23 ноя 2011 14:58 
Мастер
Аватара пользователя
Не в сети

Зарегистрирован: 28 сен 2009 11:34
Сообщения: 666
Откуда: UA Хмельницкий
Изображение

_________________
Иногда шаг вперед - результат пинка сзади...


Вернуться к началу
 Профиль ICQ  
Ответить с цитатой  
 Заголовок сообщения: Re: ASUS X51L залит нужен кусочек схемы
СообщениеДобавлено: 24 ноя 2011 05:55 
Не в сети

Зарегистрирован: 01 сен 2010 15:00
Сообщения: 23
Большое спасибо за схемку и оперативность


Вернуться к началу
 Профиль  
Ответить с цитатой  
Показать сообщения за:  Поле сортировки  
Начать новую тему Ответить на тему  [ Сообщений: 3 ] 


Часовой пояс: UTC + 4 часа


Кто сейчас на конференции

Зарегистрированные пользователи: Google [Bot], Yandex [Bot]


Вы не можете начинать темы
Вы не можете отвечать на сообщения
Вы не можете редактировать свои сообщения
Вы не можете удалять свои сообщения
Вы не можете добавлять вложения

Перейти:  
Создано на основе phpBB® Forum Software © phpBB Group
Русская поддержка phpBB