Текущее время: 16 ноя 2025 16:55


Часовой пояс: UTC + 4 часа




Начать новую тему Ответить на тему  [ Сообщений: 2665 ]  На страницу Пред.  1 ... 75, 76, 77, 78, 79, 80, 81 ... 89  След.
Автор Сообщение
СообщениеДобавлено: 27 янв 2016 13:20 
Мастер
Аватара пользователя
Не в сети

Зарегистрирован: 14 окт 2008 14:22
Сообщения: 5162
Откуда: Новосибирск
6320nc
Цитата:
У пида формат температура-время. - это психопат. У него температура привязана ко времени.

Ну дык "термопрофиль" однако...
Цитата:
Если он видит, что не успевает в "эту" секунду обеспечить "эту" температуру, то будет психовать, выкручивая из нагревателя последнюю каплю, чтобы исправить ситуацию.

Ну это же настраивается...
Цитата:
Потому имеем еще альтернативу. Есть несколько режимов, где хочешь - включай пид, не хочешь - пусть пид отдыхает, а работает робот (вместо оператора, который руками бы регулировал мощность, наблюдая за временем или температурой)

Суровое решение.
Настоящий "РашанАвтоматикс".
Типа "коммандоаппарат от стиральной машинки приделанный к диммеру". :men:

_________________
Ремонт ноутбуков в Новосибирске -
тел 214-58-43
или +7-913-912-58-43


Вернуться к началу
 Профиль  
Ответить с цитатой  
СообщениеДобавлено: 27 янв 2016 13:30 
Аватара пользователя
Не в сети

Зарегистрирован: 16 июл 2012 16:40
Сообщения: 123
Откуда: Украина Павлоград
Город: Павлоград
shat(Дмитрий Шаталов) писал(а):
Ну это же настраивается...

как настраивается?


Вернуться к началу
 Профиль  
Ответить с цитатой  
СообщениеДобавлено: 27 янв 2016 14:18 
Не в сети

Зарегистрирован: 24 окт 2013 18:10
Сообщения: 36
Город: Ростов
shat(Дмитрий Шаталов) писал(а):
s-master1
6320nc
Дык вы что, ПИДом температуру нагревателя регулируете? :sh_ok:

Камень керамики нелинейный при наборе температуры, ПИД с этим отлично справляется, выравнивая график. Может вам непонятно это, установка всё время программно меняется, каждую секунду добавляя 1гр., а ПИД подтягивает к этому значению.


Вернуться к началу
 Профиль  
Ответить с цитатой  
СообщениеДобавлено: 27 янв 2016 14:28 
Не в сети

Зарегистрирован: 24 окт 2013 18:10
Сообщения: 36
Город: Ростов
shat(Дмитрий Шаталов) писал(а):
Цитата:
Потому имеем еще альтернативу. Есть несколько режимов, где хочешь - включай пид, не хочешь - пусть пид отдыхает, а работает робот (вместо оператора, который руками бы регулировал мощность, наблюдая за временем или температурой)

Суровое решение.
Настоящий "РашанАвтоматикс".
Типа "коммандоаппарат от стиральной машинки приделанный к диммеру". :men:

:) Назад в будущее, типа программный аналог механники!


Вернуться к началу
 Профиль  
Ответить с цитатой  
СообщениеДобавлено: 27 янв 2016 14:44 
Аватара пользователя
Не в сети

Зарегистрирован: 16 июл 2012 16:40
Сообщения: 123
Откуда: Украина Павлоград
Город: Павлоград
да, программный аналог.
Есть режим "по профилю мощности". Либо сам рисуешь, либо можно график мощности, полученный при работе пида, превратить в профиль мощности и тогда будет точно прогой скопировано все, что делал пид по датчикам на "такой-то" плате. И есть режим "по таблице" Там указывается текстовый файл - запись строками в столбик - мощность и температура, до которой держать эту мощность, далее строка ниже с другими данными, на которую автомат перейдет по исполнению первой... и тд.
Например:
80:50 (будет греть на 80% до 50 градусов)
50:55 (будет греть на 50% до 55 градусов)...
0:0 (остановка - вырубит нагрев)


Вернуться к началу
 Профиль  
Ответить с цитатой  
СообщениеДобавлено: 27 янв 2016 18:11 
Не в сети

Зарегистрирован: 24 окт 2013 18:10
Сообщения: 36
Город: Ростов
6320nc писал(а):

Например:
80:50 (будет греть на 80% до 50 градусов)
50:55 (будет греть на 50% до 55 градусов)...
0:0 (остановка - вырубит нагрев)

Странная логика, температура выше, а мощность на нагреватель меньше, это как так?


Вернуться к началу
 Профиль  
Ответить с цитатой  
СообщениеДобавлено: 27 янв 2016 18:41 
Аватара пользователя
Не в сети

Зарегистрирован: 16 июл 2012 16:40
Сообщения: 123
Откуда: Украина Павлоград
Город: Павлоград
да то для примера. Полка например.


Вернуться к началу
 Профиль  
Ответить с цитатой  
СообщениеДобавлено: 27 янв 2016 19:54 
Не в сети

Зарегистрирован: 24 окт 2013 18:10
Сообщения: 36
Город: Ростов
Получается что используется прямая обратная связь, больше температура - больше мощность. Если датчик отойдёт от холодной платы, температура резко скакнёт вверх, потащит за собой увеличение мощности. Т.к. данный прирост никак не связан с платой,а только с маленьким датчиком он ускорится в разы.
Понятно что прирост будет не как в ПИД на 100%, но может быть чувствительным для чипа.
Как вы от этого защищаетесь, только постоянным контролем?


Вернуться к началу
 Профиль  
Ответить с цитатой  
СообщениеДобавлено: 27 янв 2016 20:17 
Мастер
Аватара пользователя
Не в сети

Зарегистрирован: 14 окт 2008 14:22
Сообщения: 5162
Откуда: Новосибирск
s-master1
Цитата:
Получается что используется прямая обратная связь, больше температура - больше мощность.

Не прямая, а положительная.
И навряд ли, получится устройство для уничтожения чипов и плат.
Цитата:
Если датчик отойдёт от холодной платы, температура резко скакнёт вверх, потащит за собой увеличение мощности.

При положительной обратной связи(ОС) это неизбежно даже если датчик не отойдёт.
"Звиздец неминуем" ибо для стабилизации системы ОС должна быть отрицательной и не иметь вторых полюсов в зоне усиления >=1.
Кстати, знаменитые "эльштайны" похоже выполняют роль ФНЧ убирающего лишние полюса из АЧХ самоделок.
А я то думал чего с них все так пруться??? :nez-nayu:
Цитата:
Понятно что прирост будет не как в ПИД на 100%, но может быть чувствительным для чипа.

Ну это не от вида ОС зависит, а от коэффициента передачи.
Цитата:
Как вы от этого защищаетесь, только постоянным контролем?

Подбором нагревателей судя по всему. :)

_________________
Ремонт ноутбуков в Новосибирске -
тел 214-58-43
или +7-913-912-58-43


Вернуться к началу
 Профиль  
Ответить с цитатой  
СообщениеДобавлено: 27 янв 2016 21:06 
Не в сети

Зарегистрирован: 24 окт 2013 18:10
Сообщения: 36
Город: Ростов
Есть ещё способ, его используют скорее всего. Это переход к другой мощности по времени и температуре. Время изначально немного занижено, чтобы дать возможность отработки по температуре.
На сколько же сложный этот метод при настройке станции для новичков. Сначала надо ПИДом добиться нормального графика, затем подобрать по графику мощности и практически нужные ступеньки мощности и время перехода. Потом повторить тоже с разными платами и разной температурой воздуха. А если напряжение скачет 50 вольт в сети!?

У меня всё оказалось просто, ПИД автоматом выставил коэфициенты внутри камня, 2-3 эксперемента с разными платами подобрал наклон графика коррекции и максимальную не критическую температуру для нагревателя(знал уже раньше, можно спросить в нете), вот и вся настройка.
Удивляются почему ПИД в нагревателе, да потому что керамика только так плавно замедляет скорость нагрева.


Вернуться к началу
 Профиль  
Ответить с цитатой  
СообщениеДобавлено: 27 янв 2016 21:26 
Аватара пользователя
Не в сети

Зарегистрирован: 16 июл 2012 16:40
Сообщения: 123
Откуда: Украина Павлоград
Город: Павлоград
Ну вообще датчик когда отходит, то наоборот показывает заниженную температуру. Во всяком случае на платиновом так. И как правило на холодной плате он не отходит... Ну не сталкивался я с таким. Плата будет горячее датчика поднятого например на мм над ней. Площади разные. Так что будет занижение.
В задании сказано греть с такой-то мощностью до такой-то температуры. Раз мы указали эту мощность, значит она может поднимать температуру с нужной скоростью и до определённого значения. Хотим же чтобы скорость была безопасной!? Потому указываем адекватную мощность. Мы указали значение температуры, но на деле, если датчик отошёл нагрев будет продолжаться так как робот думает что температура не достигнута. Греет -греет вверх, но вот есть определенный уровень выше которого нагрев вверх не пойдет. Будет дальше не нагрев, а выдержка. Ведь чем выше температура, тем больше мощность нужна. И на определённом значении температуры (которую настоящую мы и не знаем, потому что датчик отошёл), кривая температуры будет рисоваться горизонтально. Следовательно дальнейший опасный шаг с более высокой мощностью не включится, потому как не достигнута температура. Все косяки будут видны на графике. Если оператор бросил взгляд на график и видит, что рисуется как он и ожидал, то норм.... Если не так, то надо посмотреть, че за хрень там приключилась. Опасность есть только на последнем шаге (точнее предпоследнем - последний выдержка). Но последний шаг всегда во внимании оператора. В конце -концов можно поставить сигнал по времени с командой останова пайки или просто сообщением каким захотите. Количество шагов с постепенно увеличивающей мощностью, наверное, тоже может служить дополнительной защитой. Ну а даже если случится то, о чем вы говорите, то можно поставить сигнал по мощности с сообщением, что мощность такая-то. И если этот сигнал прозвучал раньше, чем того ожидает оператор, то значит...


Вернуться к началу
 Профиль  
Ответить с цитатой  
СообщениеДобавлено: 27 янв 2016 21:32 
Аватара пользователя
Не в сети

Зарегистрирован: 16 июл 2012 16:40
Сообщения: 123
Откуда: Украина Павлоград
Город: Павлоград
s-master1 писал(а):
Есть ещё способ, его используют скорее всего. Это переход к другой мощности по времени и температуре. Время изначально немного занижено, чтобы дать возможность отработки по температуре.
На сколько же сложный этот метод при настройке станции для новичков. Сначала надо ПИДом добиться нормального графика, затем подобрать по графику мощности и практически нужные ступеньки мощности и время перехода. Потом повторить тоже с разными платами и разной температурой воздуха. А если напряжение скачет 50 вольт в сети!?

У меня всё оказалось просто, ПИД автоматом выставил коэфициенты внутри камня, 2-3 эксперемента с разными платами подобрал наклон графика коррекции и максимальную не критическую температуру для нагревателя(знал уже раньше, можно спросить в нете), вот и вся настройка.
Удивляются почему ПИД в нагревателе, да потому что керамика только так плавно замедляет скорость нагрева.

Я не знал о таком способе. Это тмп так умеет или какую управлялку используете?


Вернуться к началу
 Профиль  
Ответить с цитатой  
СообщениеДобавлено: 27 янв 2016 21:33 
Мастер
Аватара пользователя
Не в сети

Зарегистрирован: 14 окт 2008 14:22
Сообщения: 5162
Откуда: Новосибирск
s-master1
Цитата:
А если напряжение скачет 50 вольт в сети!?

:ts_ss: Открою СТРАШНУЮ ТАЙНУ - его(напряжение) измерять можно...
Ну и дальше вводить поправочный коэффициент...
6320nc
Цитата:
И если этот сигнал прозвучал раньше, чем того ожидает оператор, то значит...

Что это ХРЕНЬ а не автоматизация. :)

_________________
Ремонт ноутбуков в Новосибирске -
тел 214-58-43
или +7-913-912-58-43


Вернуться к началу
 Профиль  
Ответить с цитатой  
СообщениеДобавлено: 27 янв 2016 21:40 
Аватара пользователя
Не в сети

Зарегистрирован: 16 июл 2012 16:40
Сообщения: 123
Откуда: Украина Павлоград
Город: Павлоград
Хрень -это когда пытаемся защититься от несуществующей проблемы. А автоматизация - это пид. Ему похрен и скачки сети, и размеры плат и тд, кроме датчика.


Вернуться к началу
 Профиль  
Ответить с цитатой  
СообщениеДобавлено: 27 янв 2016 22:19 
Не в сети

Зарегистрирован: 24 окт 2013 18:10
Сообщения: 36
Город: Ростов
6320nc писал(а):
Ну вообще датчик когда отходит, то наоборот показывает заниженную температуру.

Датчик находится в зоне действия ИК если температура падает при отрыве, значит кто то её отбирает, внося дополнительные поправки(что то в конструкции крепления не так, или пятно ИК маленькое).

shat(Дмитрий Шаталов) писал(а):
s-master1
Цитата:
А если напряжение скачет 50 вольт в сети!?

:ts_ss: Открою СТРАШНУЮ ТАЙНУ - его(напряжение) измерять можно...
Ну и дальше вводить поправочный коэффициент...
:) Перестаньте смешить(чем дальше в лес, тем больше ......)! У меня именно такая проводка в офисе была :( .


Вернуться к началу
 Профиль  
Ответить с цитатой  
СообщениеДобавлено: 27 янв 2016 22:27 
Аватара пользователя
Не в сети

Зарегистрирован: 16 июл 2012 16:40
Сообщения: 123
Откуда: Украина Павлоград
Город: Павлоград
Ну значит "неправильный" конструктив датчика тоже дополнительная защита


Вернуться к началу
 Профиль  
Ответить с цитатой  
СообщениеДобавлено: 28 янв 2016 00:29 
Не в сети

Зарегистрирован: 28 дек 2013 01:12
Сообщения: 20
Город: Minsk
Здравствуйте, купил я ТРМ151 с симисторными выходами, нашёл трубки кварцевые диаметром 10 мм и длиной 350 мм. Спирали хочу намотать сам, есть нихромовая проволока, диаметр - 0,47мм. Подскажите, пожалуйста, какую оптимальную мощность рассчитывать для одной трубки и для всего нижнего нагревателя? И посоветуйте, чем заткнуть концы трубок? Если выточить фоторопластовые "заглушки", не расплавятся? А то перебрал уже кучу всяческих патронов для ламп - ничего подходящего не нашёл


Вернуться к началу
 Профиль  
Ответить с цитатой  
СообщениеДобавлено: 28 янв 2016 02:55 
Мастер
Аватара пользователя
Не в сети

Зарегистрирован: 30 ноя 2010 23:04
Сообщения: 613
Откуда: Польша
Город: Варшава
s-master1 писал(а):
:) Перестаньте смешить(чем дальше в лес, тем больше ......)! У меня именно такая проводка в офисе была :( .

Он имеет ввиду измерять автоматически контроллером сетевое питание и в зависимости от просадок вводить корректировку мощности.
Решение грамотное, но для "микроконтроллерщиков", для обычных смертных недоуступно.

chotki_patsan писал(а):
Подскажите, пожалуйста, какую оптимальную мощность рассчитывать для одной трубки и для всего нижнего нагревателя?

Зависит от планируемой конфигурации. В теме все это есть, описано многократно.

chotki_patsan писал(а):
Если выточить фоторопластовые "заглушки"

... то начинайте сразу собирать на новые лёгкие и печень - они Вам очень скоро понадобятся. Но в этом есть и плюс - у Вас наконец-то появится время прочитать таки тему и увидеть, что всё давно придумано, можно просто взять и пользоваться идеями, тут описанными

6320nc писал(а):
Хрень -это когда пытаемся защититься от несуществующей проблемы. А автоматизация - это пид. Ему похрен и скачки сети, и размеры плат и тд, кроме датчика.

Ура! вот она - истина! наконец-то ))) (я без сарказма)
А ещё ТРМ151 позволяет как управление по мощности, так и ПИД алгоритм. Захотел - юзай очень хорошо реализованный ПИД, не захотел - перешел на мощность. Я как бы ни на кого батон не крошу, но тут "или шашечки, или ехать". ТРМ позволяет просто работать, забыв про танцы, бубны, шары предсказаний и т.п. Просто нажал кнопку и он просто сделал свою работу.


Вернуться к началу
 Профиль ICQ  
Ответить с цитатой  
СообщениеДобавлено: 28 янв 2016 03:06 
Не в сети

Зарегистрирован: 28 дек 2013 01:12
Сообщения: 20
Город: Minsk
Да я уже столько тем и форумов перечитал, что только каша в голове и осталась, но видимо придётся. Спасибо


Вернуться к началу
 Профиль  
Ответить с цитатой  
СообщениеДобавлено: 28 янв 2016 13:36 
Не в сети

Зарегистрирован: 24 окт 2013 18:10
Сообщения: 36
Город: Ростов
chotki_patsan
Сколько трубок у вас? Для низа минимум 8 шт.,общая мощность не ниже 2 Квт.
Делал себе простейший преднагреватель, с конструкцией не заморачивался,может что то поможет вам. Трубки стоят на слюде кажется от микроволнок которая, спирали соединяются нихромом без изоляции и разрывов попарно, справа колодка керамическая через болты. Конструкция постоянно в движении, переносится со стола на стол и держится нормально.


Вложения:
Обзор.JPG
Обзор.JPG [ 203.71 КБ | Просмотров: 5225 ]
Вернуться к началу
 Профиль  
Ответить с цитатой  
СообщениеДобавлено: 28 янв 2016 15:53 
Не в сети

Зарегистрирован: 28 дек 2013 01:12
Сообщения: 20
Город: Minsk
s-master1 писал(а):
chotki_patsan
Сколько трубок у вас? Для низа минимум 8 шт.,общая мощность не ниже 2 Квт.
Делал себе простейший преднагреватель, с конструкцией не заморачивался,может что то поможет вам. Трубки стоят на слюде кажется от микроволнок которая, спирали соединяются нихромом без изоляции и разрывов попарно, справа колодка керамическая через болты. Конструкция постоянно в движении, переносится со стола на стол и держится нормально.

Спасибо. Трубок имеется штук 20, думаю сделать 3 секции по 5 трубок т.е 15 трубок


Вернуться к началу
 Профиль  
Ответить с цитатой  
СообщениеДобавлено: 01 фев 2016 10:11 
Не в сети

Зарегистрирован: 08 янв 2014 17:18
Сообщения: 25
Город: Вентспилс
Night-Prizrak писал(а):
ТРМ позволяет просто работать, забыв про танцы, бубны, шары предсказаний и т.п. Просто нажал кнопку и он просто сделал свою работу.

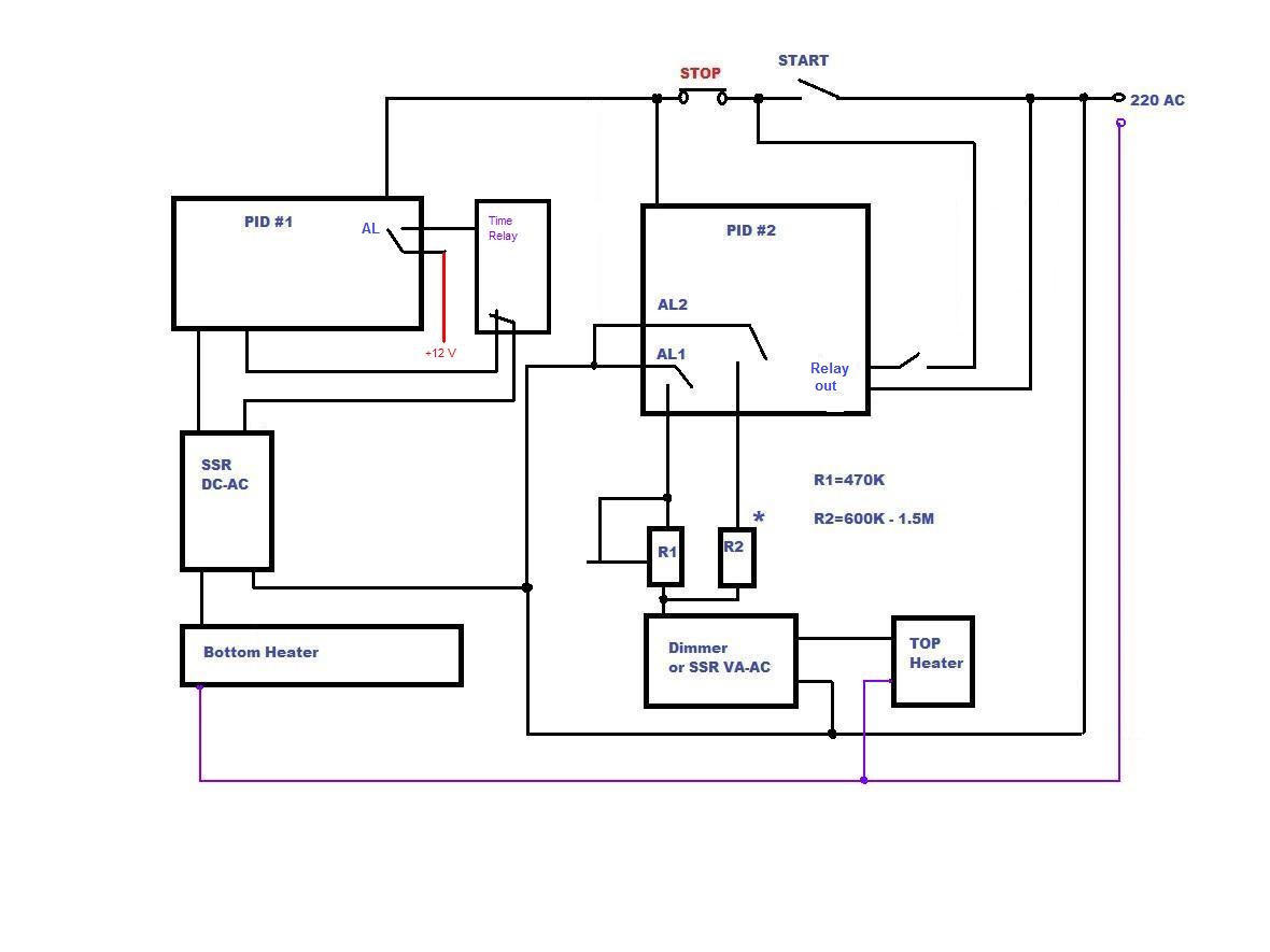
Рискну и тут выложить свою схему управления на "копеечных" ПИДах.Кратко:низ-керамика 5х450,ПИД регулирование.Верх-кварц`1200,2 ступени "по мощности".Автоматически(как бы :) )учитывается все:от размера платы/чипа до просадок напруги и зарядов домашнего кота.. :-) Станция работает уже больше года-пока никаких нареканий.


Вернуться к началу
 Профиль  
Ответить с цитатой  
СообщениеДобавлено: 01 фев 2016 10:28 
Не в сети

Зарегистрирован: 08 янв 2014 17:18
Сообщения: 25
Город: Вентспилс
чет http://monitor.espec.ws/files/___________2_____v5.0_148.jpgвложение не добавилось...


Вернуться к началу
 Профиль  
Ответить с цитатой  
СообщениеДобавлено: 01 фев 2016 11:34 
Не в сети

Зарегистрирован: 24 окт 2013 18:10
Сообщения: 36
Город: Ростов
ReplayWorking Данная схема для кварцевого верха, с большей инеркцией желательно не применять.
Пару вопросов ПИД1(низ), для чего используется AL1?
ПИД2(верх) релейный выход только для блокировки кнопки или всё таки он управляет диммером?


Вернуться к началу
 Профиль  
Ответить с цитатой  
СообщениеДобавлено: 01 фев 2016 12:02 
Не в сети

Зарегистрирован: 08 янв 2014 17:18
Сообщения: 25
Город: Вентспилс
s-master1 писал(а):
ReplayWorking Данная схема для кварцевого верха, с большей инеркцией желательно не применять

Вообще не понял.. :du_ma_et:
s-master1 писал(а):
Пару вопросов ПИД1(низ), для чего используется AL1?

Пауза 30 сек.Использовался на кварцевом низе для выравнивания Т платы на стадии преднагрева.С переходом на керамику-упразднен.
s-master1 писал(а):
ПИД2(верх) релейный выход только для блокировки кнопки или всё таки он управляет диммером?

Для автоматики:кнопка старт без самоблокировки.ПИД верха в режиме он/офф.При достижении Т уставки(у мну 235,вылет до 237-238) отрубает все нагреватели.Для "ручного" режима предусмотрена кнопка стоп.


Вернуться к началу
 Профиль  
Ответить с цитатой  
СообщениеДобавлено: 01 фев 2016 12:46 
Не в сети

Зарегистрирован: 24 окт 2013 18:10
Сообщения: 36
Город: Ростов
ПИД используется как орехокол! :sh_ok:


Вернуться к началу
 Профиль  
Ответить с цитатой  
СообщениеДобавлено: 01 фев 2016 12:56 
Не в сети

Зарегистрирован: 08 янв 2014 17:18
Сообщения: 25
Город: Вентспилс
s-master1 писал(а):
ПИД используется как орехокол! :sh_ok:

И что удивительно-эта элементарщина работает :-)


Вернуться к началу
 Профиль  
Ответить с цитатой  
СообщениеДобавлено: 01 фев 2016 13:14 
Не в сети

Зарегистрирован: 24 окт 2013 18:10
Сообщения: 36
Город: Ростов
ReplayWorking :) Не обиделся! Просто надо было для блокировки использовать AL2, а релейный выход для общим управлением диммером. Регулировка в конце была бы более плавной и точной(Коэфициент P задирается раза в 2 от значения автонастройки).


Вернуться к началу
 Профиль  
Ответить с цитатой  
СообщениеДобавлено: 01 фев 2016 15:13 
Не в сети

Зарегистрирован: 08 янв 2014 17:18
Сообщения: 25
Город: Вентспилс
s-master1 писал(а):
ReplayWorking :) Просто надо было для блокировки использовать AL2, а релейный выход для общим управлением диммером. Регулировка в конце была бы более плавной и точной(Коэфициент P задирается раза в 2 от значения автонастройки).

Опять не понял.. :smu:sche_nie: ..ПИД верха работает в режиме вкл/выкл и ему(пид ви)глубоко накакать на фсе коэффиценты


Вернуться к началу
 Профиль  
Ответить с цитатой  
СообщениеДобавлено: 01 фев 2016 15:41 
Не в сети

Зарегистрирован: 08 янв 2014 17:18
Сообщения: 25
Город: Вентспилс
Коротко алгоритм работы:
-Греем низом(1.2-0.8гр/сек) до 165 по датчику НИ.
-На 150 включается ВИ(по датчику ви) и греет со скоростью 0.2-0.3 гр/сек-накопление тепла в зоне пайки.Низ продолжает работу.
-200 гр. по датчику ВИ-переключение на 0.5-0.7 гр/сек-пайка/отпайка
-235 стоп,отключение нагрева.
:nez-nayu:


Вернуться к началу
 Профиль  
Ответить с цитатой  
Показать сообщения за:  Поле сортировки  
Начать новую тему Ответить на тему  [ Сообщений: 2665 ]  На страницу Пред.  1 ... 75, 76, 77, 78, 79, 80, 81 ... 89  След.


Часовой пояс: UTC + 4 часа


Кто сейчас на конференции

Зарегистрированные пользователи: Bing [Bot], cyberland_remont, Google [Bot], Yandex [Bot]


Вы не можете начинать темы
Вы не можете отвечать на сообщения
Вы не можете редактировать свои сообщения
Вы не можете удалять свои сообщения
Вы не можете добавлять вложения

Перейти:  
Создано на основе phpBB® Forum Software © phpBB Group
Русская поддержка phpBB